Figyelem! Weboldalunk hamarosan megújul, ezért 2025. október 31. és november 2. között átmenetileg nem lesz elérhető. November 3-án egy modernebb és felhasználóbarátabb aukciós felülettel térünk vissza. Köszönjük türelmét!

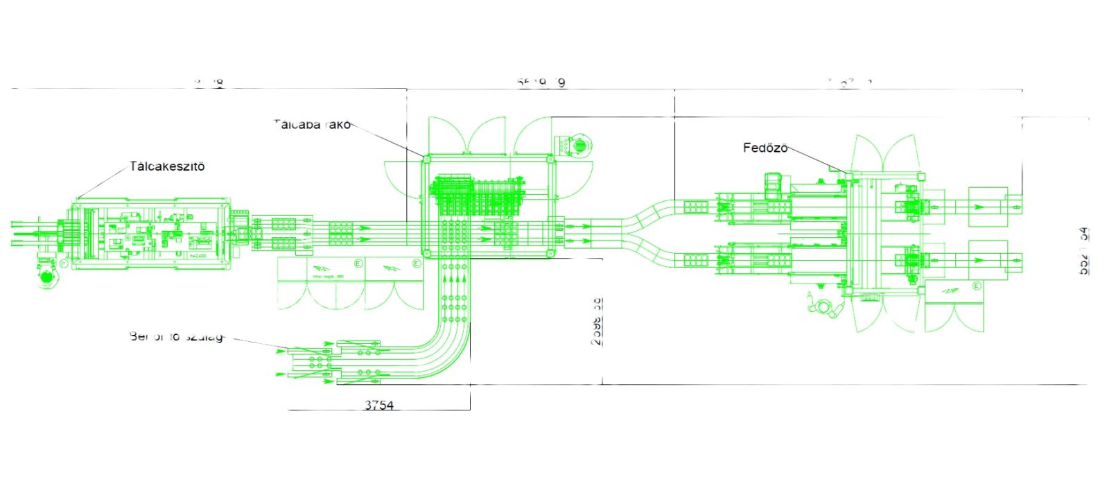
1 - Csomagoló gépsor

A licitálás befejeződött
  • Kikiáltási ár

    40.000 €

  • Vásárlói felár

    18 %

    A mindenkori leütési áron felül fizetendő jutalék. Pl.: leütési ár: €100, fizetendő ár: €118 (nettó árak)
  • ÁFA

    27%

  • Licitek száma

    0 Licit

  • Helyszín

    6000 Kecskemét, Halasi út 29.

  • A licit elküldésével szerződés jön létre az ajánlattevő és az árverésszervező között, mely alapján az ajánlattevőnek vásárlási kötelezettsége keletkezik. Amennyiben kérdése merül fel a tétellel vagy a licitálással kacsolatban, azt kérjük a licit elküldése előtt tegye fel.

Részletes leírás

Mennyiség 1 db

Leírás: Csomagoló gépsor poharas vagy dobozos termékek kartonba való gyűjtő csomagolásához
Gyártó: A+F Automation + Fördertechnik GmbH
Gyártási év: 2017
Gépsor részei:
1/Tálcakészítő gép: Előre stancolt sík kartonból tálca hajtogatásra és ragasztásra képes.
Tálca méretek (mm):
-Nagy: 498x485, 8 db. termék, 310 db./perc, ciklus idő: 39 ciklus/perc
-Normál: 459x447, 8 db. termék, 400 db./perc, ciklus idő: 50 ciklus/perc
2/Tálcábarakó gép (3x16A, min. 6 bar)
Egy ütemben 8 db. poharas vagy dobozos termék tálcakészítőről érkező tálcákba behelyezésére alkalmas.
3/Fedőzőgép (3x25A, min. 6 bar)
A tálcábarakó gépről érkező termékkel megtöltött tálcákat méretre stancolt kartont hajlít és ragaszt.
-Normál fedő: 418x397, 422x397, 409x394
Vonal sebesség: 400 db./perc
Ciklus idő: 25 ciklus/perc
-Nagy fedő: 460x432, 456x318
Vonal sebesség: 310 db/perc
Ciklus idő: 20 ciklus/perc
Megjegyzés: a gépsor teljesen szétszerelt állapotban van.

Kérdések és válaszok

Nincs a tételre vonatkozó kérdés

További információk

A tétel adatlapján feltüntetett leírások a rendelkezésre álló információink alapján készültek. Az eszközök működőképességét, rejtett hibáit nem vizsgáltuk, azokról nincs tudomásunk.

Kérjük, hogy licitálás előtt személyesen is tekintsék meg a megvásárolni kívánt tételeket, mert utólag nem tudunk reklamációt elfogadni.

Tétel tartalmának szükség szerinti helyszíni bontása, rakodása, csomagolása, elszállítása a vevő feladata.
A szállítási és bontási költségek a vásárlót terhelik.
A szállítást akkor lehet megkezdeni, ha az eladó az erre vonatkozó engedélyt megadta.

A leütési ár nem tartalmazza az ÁFÁ-t és a vásárlói felárat.